Hummer H3 For the Hummer driver who wants the rugged look and off road capabilities of the Hummer, but in a smaller size and with a more fuel economy friendly engine.

Weird Heater Problem

Thread Tools
 
Search this Thread
 
Old Jan 9, 2022 | 11:54 AM
  #1  
Dtnations's Avatar
Thread Starter
|
Junior Member
Joined: Aug 2021
Posts: 13
From: Peoria, AZ
Default Weird Heater Problem

Hello and thanks for any advice on this. I have a 2008 Hummer H3. Having a weird heater problem and hoping you can point me in the right direction. I am getting no heat at all. AC works great. The first thing I did was check coolant - it's full. I then did a heater core flush to make sure it wasn't clogged. I know it's not the thermostat, temperature reads fine, heater hoses getting hot.

The weird part is the selector switch for where the air blows (face, feet, defrost, mix of both) won't do anything except come out thru the vents on the dash. When I move it to floor or defrost it just stays blowing out the dash.. The selector for strength of the blower - low to high - is working but not the selector for where it blows. No heat at all, just cold air. I'm thinking it has to be electrical but would like you all to weigh in. Thanks for the help.
 
Old Jan 9, 2022 | 12:28 PM
  #2  
hummerz's Avatar
Senior Member
Joined: Jul 2012
Posts: 9,013
From: C-Town
Default

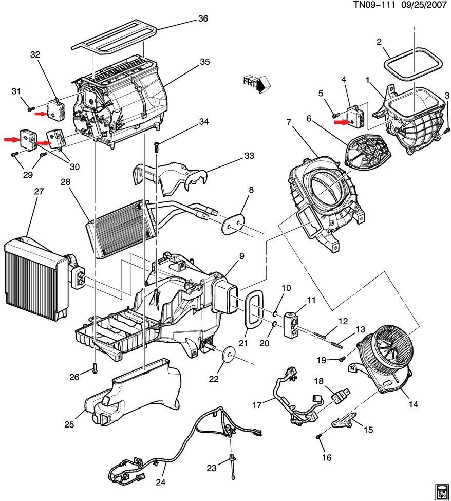
First make sure temp at the heater core hoses inlet and outlet match coolant temp! Check feel/listen to the air mode control actuator #32 when you switch air flow positions. Same with blend door actuators when you switch temp control #30x2. The air inlet actuator (#4) should close when pressing the (air-recirculation) center button, blocking outside air from entering the cabin.





 
Old Jan 9, 2022 | 12:49 PM
  #3  
Dtnations's Avatar
Thread Starter
|
Junior Member
Joined: Aug 2021
Posts: 13
From: Peoria, AZ
Default

Thank you Hummerz, Temp is the same (heater hoses and Coolant). It must be the Actuators, can't hear anything when moving dials.
 
Old Jan 9, 2022 | 12:58 PM
  #4  
hummerz's Avatar
Senior Member
Joined: Jul 2012
Posts: 9,013
From: C-Town
Default

Check/clean/reseat connectors/contacts, also tap test the actuators while switching controls. Btw, how much heat does one need in AZ?
 
Old Jan 9, 2022 | 01:05 PM
  #5  
Dtnations's Avatar
Thread Starter
|
Junior Member
Joined: Aug 2021
Posts: 13
From: Peoria, AZ
Default

I will give it a try. Thanks again. Good point on requiring heat in AZ. Its been a little chilly in the mornings here - high 30s low 40s. Then I like to head to the mountains in Flagstaff. It got a little uncomfortable when I woke up in the morning and it was 8 degrees outside. 🙂
 
Old Jan 9, 2022 | 01:06 PM
  #6  
hummerz's Avatar
Senior Member
Joined: Jul 2012
Posts: 9,013
From: C-Town
Default

FYI, TAP TEST

 
Old Jan 10, 2022 | 08:03 AM
  #7  
TJB63's Avatar
Junior Member
Joined: Aug 2021
Posts: 13
Default

I had a weird thing last week with the Snow that hit Virginia, Went to take the Wife to work and nothing but Cold air blowing, Thinking Dam, something else to fix, this was really the first time I used the heater since I got the truck in August.
9 hours later, went to pick her up and Heat is blowing just fine, Been working ever since. I guess the cold has an impact on these old trucks, Drove it 200 miles the other day and kept getting the SERV TPM light, sat overnight, it was gone, Drove back home and it came on again, sat overnight again and it's been off ever since. I had actually reset the TPMS back in October I think it was, after putting New Tires/Sensors, worked fine up until the light came on.
 
Old Jan 10, 2022 | 02:21 PM
  #8  
Doc Olds's Avatar
Super Moderator
Joined: Jul 2007
Posts: 13,097
From: Boat Town USA MI
Default

Poor and deteriorating electrical connections are caused by the age of these trucks. When was the last time you put air in the tires???

Air the tires all to exactly 38PSI cold.
 
Related Topics
Thread
Thread Starter
Forum
Replies
Last Post
bigdog100
Hummer H3
14
Jan 3, 2022 02:14 PM
Mr__Mayhem
PRIVATE For Sale / Trade Classifieds
2
May 7, 2017 07:05 PM
Glock&Load
PRIVATE For Sale / Trade Classifieds
0
Oct 12, 2012 04:18 PM
joenuzz
PRIVATE For Sale / Trade Classifieds
11
Dec 5, 2011 11:33 PM
yellow7
PRIVATE For Sale / Trade Classifieds
13
May 8, 2011 04:16 PM




All times are GMT -5. The time now is 06:34 PM.