Hummer H2 For those who like a little more gleam to their Hummer, the H2 offers a similar rugged look as the H1, but as a lower cost, and with more added features, making it almost a massive luxury SUV.

Reverse light wire location

Thread Tools
 
Search this Thread
 
Old Jan 7, 2023 | 09:54 AM
  #1  
bagpype's Avatar
Thread Starter
|
Junior Member
Joined: Dec 2022
Posts: 25
Default Reverse light wire location

I’m installing a reverse camera on my 2003 H2 and I need to tap into the reverse light signal. I have searched and searched and have come up with nothing besides someone mentioning a wire at the rear view mirror. This seems difficult to say the least. I’m stuck at this point and really need some help to figure out where a reverse light wire is in the cab of this H2. Any guidance??
 
Old Jan 7, 2023 | 12:20 PM
  #2  
PGI Conch's Avatar
Senior Member
Joined: Aug 2021
Posts: 210
From: Port St Lucie, Florida
Default

Originally Posted by bagpype
I’m installing a reverse camera on my 2003 H2 and I need to tap into the reverse light signal. I have searched and searched and have come up with nothing besides someone mentioning a wire at the rear view mirror. This seems difficult to say the least. I’m stuck at this point and really need some help to figure out where a reverse light wire is in the cab of this H2. Any guidance??
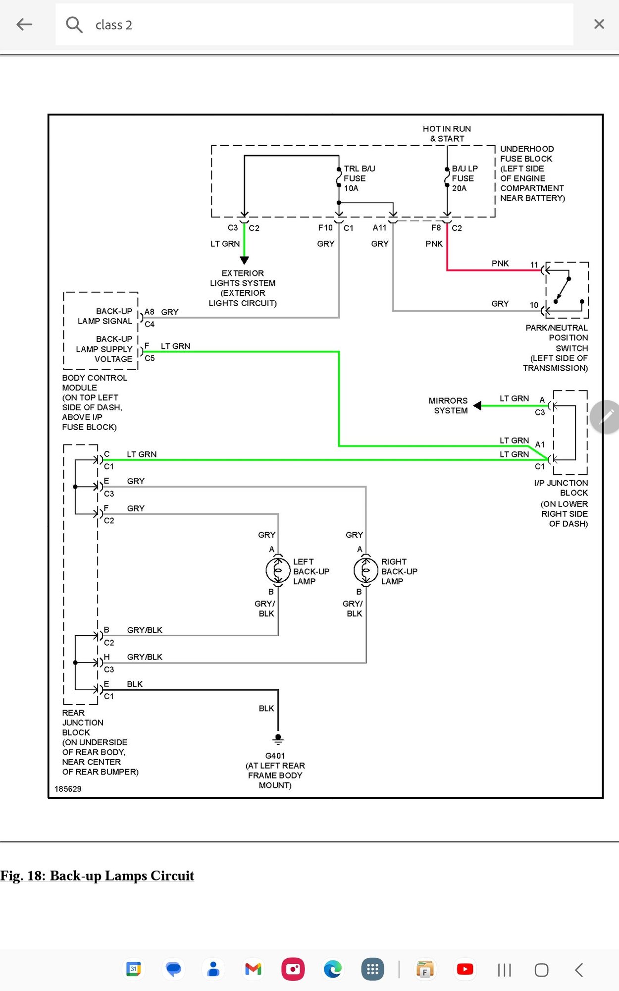
Hope this helps.


 
Old Jan 7, 2023 | 01:11 PM
  #3  
bronxteck's Avatar
Senior Member
Joined: Apr 2019
Posts: 3,192
From: BX NY North East
Default

there should be reverse at the tow connector on the bumper
 
Old Jan 7, 2023 | 02:52 PM
  #4  
PGI Conch's Avatar
Senior Member
Joined: Aug 2021
Posts: 210
From: Port St Lucie, Florida
Default

If you are looking for reverse power in the rear, the 7 pin trailer/tow connectors typically have backup (reverse) power on the center (#7) pin. That worked for power when I added a camera to my H3. Probably the same on the H2 (mine isn't home right now to verify). If you need it to energize the interior/dash monitor then the previous dash area schematic should help.


 
Related Topics
Thread
Thread Starter
Forum
Replies
Last Post
MeBelovinMyH3
PRIVATE For Sale / Trade Classifieds
1
Jan 8, 2009 09:22 AM
lucky19942001
PRIVATE For Sale / Trade Classifieds
5
Nov 27, 2008 08:46 AM
BabyTank
PRIVATE For Sale / Trade Classifieds
14
Apr 15, 2008 01:09 AM
weissgmd
PRIVATE For Sale / Trade Classifieds
0
Apr 1, 2008 09:54 AM
crank
PRIVATE For Sale / Trade Classifieds
5
Apr 1, 2007 09:05 PM




All times are GMT -5. The time now is 03:52 AM.