Having a hard time getting these parts, anyone have any suggestions?
Hello, new here trying to get a hold of some parts for a friend over seas, but I just can't seem to find them for the life of me. Anyone who happens to have them or any leads for finding them it would be much appreciated thanks.
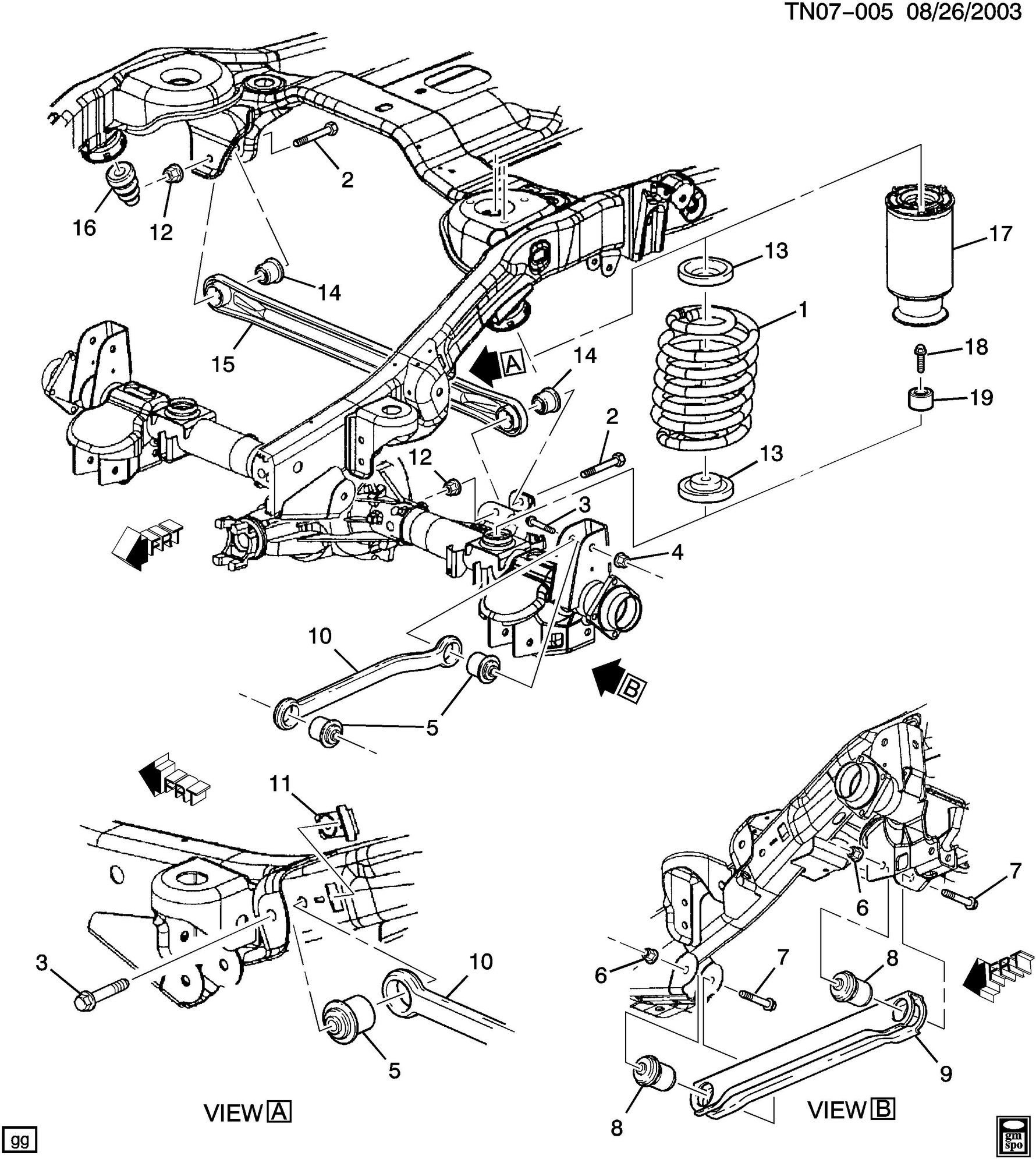
15060195
Left upper control arm bracket
19121250
19121251
Lower left and right control arm brackets
15060195
Left upper control arm bracket
19121250
19121251
Lower left and right control arm brackets
https://www.autopartsprime.com/gm/oe...aUBNFHtikU_7kW
found this one but nothing on the other 2
Neal
found this one but nothing on the other 2
Neal
you may have to resort to used parts, go here, https://www.car-part.com/, fill in the information and select frame for the part, there are front and rear sections for sale with the parts you need
Neal
Neal
Thread
Thread Starter
Forum
Replies
Last Post
ISrt300
PRIVATE For Sale / Trade Classifieds
1
Jul 8, 2015 07:40 AM
lostsoul77
PRIVATE For Sale / Trade Classifieds
10
Mar 25, 2015 08:41 PM



