Driver Door Window Issue: Not the usual one
Good morning, afternoon, evening, or wherever you fine gentlemen and lady happen to be. I've got a bit of an interesting issue that's popped up recently in my 2007 Hummer H3. So, I initially thought that it was my window motor going out, or potentially the regulator going to the birds, as only my driver window would not activate or roll down/up. All the other three windows worked, and sometimes it sounded like the switch engaged and the motor tried to work in the driver window. I checked the connectors in the door switch panel for corrosion, as I have replaced it once already with an aftermarket one as the OEM one is just insane for the price, no corrosion or anything so I figured "Okay, gotta be the motor." As my scan tool was not giving me anything other than low voltage warning codes for my headlight/tail light/turn signals as they are all LED conversions now.
So I bought a new/used window regulator with motor, and a spare motor in case that one was also a dud, my dad brought out a sweep power supply box that we set for 12 volts, and tested both the new and old regulator/motor combo once I had the old one out of the door. Surprisingly to both of us, both worked fine. The new/used one that I had purchased worked a little faster than the old one, I could tell that one is getting tired so I decided to retire it, replaced the old with the new/used one that I bought; after checking each connector with a multi-meter ensuring that I was getting 12 volts to each, and bam! Everything worked again! I now had my drivers window back! Yay I could go through drive through's for coffee again! Or so I thought...
So two days of driver window use bliss and...I go to get coffee for myself and my folks on the way home from work, I go to hit the window down button and I get that 'clunk' sound like it made when I initially thought 'oh crap, the motor is dead, time for a new one!' I said a few select curse words as I blew most of my Sunday putting in the used one and making sure I did everything correctly only for -this- to happen. I decided to plug in my Blue Driver again to see if anything different popped up, no dash lights or 'money lights' came on so I didn't think there would be any code, and low and behold, there was one.
Code: B3152
Description: "LF Lock switch circuit low"
3 Frequently Reported Fixes:
1: Repaired Door Lock
2: Repaired Door Lock Switch
3: Repaired Door Lock Switch Connector
So, apparently, something is shorting out. I'm thinking that it might be a break in the white wire going in the door harness accordion-like loom cover between the door and the body, but haven't pulled the door off to check the can-bus style connector, but also people are saying that it could be a short to ground from the BCM. Though I personally am not thinking its something to do with the BCM because there would be a lot more symptoms going on like none of the locks working, remote keyless not working, window wipers not working or working intermittently, stereo problems, etc... None of which are happening, its just that single, damned window!
Has anyone else encountered this before? If so, how 'fun' is it searching for this wire or a ground wire? Will I need an extra-big swear jar this time? Would it be easier for me to pull the driver door off to inspect the harness rather than work in the 3 inches of space they give you (even with the door swing stop unhooked)? Any help or insight here would be greatly appreciated!
Also apologies if this has already been answered, I did search for the scan tool code to see if anyone else has encountered it and didn't find anything outside of the usual 'window won't roll up/down door locks won't work' thing, which I have encountered after I had to get a battery swapped once, so I knew this wasn't -that-.
Hope to hear from you soon!
So I bought a new/used window regulator with motor, and a spare motor in case that one was also a dud, my dad brought out a sweep power supply box that we set for 12 volts, and tested both the new and old regulator/motor combo once I had the old one out of the door. Surprisingly to both of us, both worked fine. The new/used one that I had purchased worked a little faster than the old one, I could tell that one is getting tired so I decided to retire it, replaced the old with the new/used one that I bought; after checking each connector with a multi-meter ensuring that I was getting 12 volts to each, and bam! Everything worked again! I now had my drivers window back! Yay I could go through drive through's for coffee again! Or so I thought...
So two days of driver window use bliss and...I go to get coffee for myself and my folks on the way home from work, I go to hit the window down button and I get that 'clunk' sound like it made when I initially thought 'oh crap, the motor is dead, time for a new one!' I said a few select curse words as I blew most of my Sunday putting in the used one and making sure I did everything correctly only for -this- to happen. I decided to plug in my Blue Driver again to see if anything different popped up, no dash lights or 'money lights' came on so I didn't think there would be any code, and low and behold, there was one.
Code: B3152
Description: "LF Lock switch circuit low"
3 Frequently Reported Fixes:
1: Repaired Door Lock
2: Repaired Door Lock Switch
3: Repaired Door Lock Switch Connector
So, apparently, something is shorting out. I'm thinking that it might be a break in the white wire going in the door harness accordion-like loom cover between the door and the body, but haven't pulled the door off to check the can-bus style connector, but also people are saying that it could be a short to ground from the BCM. Though I personally am not thinking its something to do with the BCM because there would be a lot more symptoms going on like none of the locks working, remote keyless not working, window wipers not working or working intermittently, stereo problems, etc... None of which are happening, its just that single, damned window!
Has anyone else encountered this before? If so, how 'fun' is it searching for this wire or a ground wire? Will I need an extra-big swear jar this time? Would it be easier for me to pull the driver door off to inspect the harness rather than work in the 3 inches of space they give you (even with the door swing stop unhooked)? Any help or insight here would be greatly appreciated!
Also apologies if this has already been answered, I did search for the scan tool code to see if anyone else has encountered it and didn't find anything outside of the usual 'window won't roll up/down door locks won't work' thing, which I have encountered after I had to get a battery swapped once, so I knew this wasn't -that-.
Hope to hear from you soon!
Welcome.
Always easy stuff first. Let's start with the basics for every H3/H3T. Are you still trying to use the crappy azzed OEM Battery Terminal Connectors? If so, cut them off and replace with a quality aftermarket set like Stingers or your favorite brand. The OEM Battery Terminal Connectors are garbage, known failure point and the FIRST mod to be addressed with every H3/H3T as they cause electrical Gremlins. And yeah, this can be "-that-".
Check your fuse box for corrosion at the Driver Side Window 30A fuse #68. Pull the fuse, make sure the box side receivers and fuse blades are bright and clean, free of crud or green color.
Does your H3 have a sunroof? If so, has the passenger side floor ever been wet?
Always easy stuff first. Let's start with the basics for every H3/H3T. Are you still trying to use the crappy azzed OEM Battery Terminal Connectors? If so, cut them off and replace with a quality aftermarket set like Stingers or your favorite brand. The OEM Battery Terminal Connectors are garbage, known failure point and the FIRST mod to be addressed with every H3/H3T as they cause electrical Gremlins. And yeah, this can be "-that-".
Check your fuse box for corrosion at the Driver Side Window 30A fuse #68. Pull the fuse, make sure the box side receivers and fuse blades are bright and clean, free of crud or green color.
Does your H3 have a sunroof? If so, has the passenger side floor ever been wet?
Ground, power, communications....
Take drivers harness off at drivers door. Take inside door card off passenger door and verify with test light ability of wires to carry actual load. Check ground lugs behind airbox and to right of (ebcm abs) on drivers inner fender close to firewall. Also check any ground locations nearest door, bcm.
when I say check, I mean visually as well as electrically. Do gentle tugg test. Remove fastener clean verify and re tighten.
Take drivers harness off at drivers door. Take inside door card off passenger door and verify with test light ability of wires to carry actual load. Check ground lugs behind airbox and to right of (ebcm abs) on drivers inner fender close to firewall. Also check any ground locations nearest door, bcm.
when I say check, I mean visually as well as electrically. Do gentle tugg test. Remove fastener clean verify and re tighten.
Hello there Doc!
I've had the battery terminals replaced with good ones that were installed professionally, so no issue there, they are nice and tight on the terminal studs. I'll check the fuse box next, as I didn't even think to do that one (Duh...rookie mistake x_x)
As far as the sunroof? When I bought this back in 2013, I did have that issue with the sun roof, though I did fix it back then with the good old 7/32" drillbit mod to those firewall pass-throughs, never had any problem since. I figured that if there was going to be an issue, it would have reared its ugly head by now over 100K -km later.
Thanks for the input! I'll check the fuse next dry day out here, currently its raining like crazy and forecast for the next few days to be doing the same. God, I hope it is something that simple!
I've had the battery terminals replaced with good ones that were installed professionally, so no issue there, they are nice and tight on the terminal studs. I'll check the fuse box next, as I didn't even think to do that one (Duh...rookie mistake x_x)
As far as the sunroof? When I bought this back in 2013, I did have that issue with the sun roof, though I did fix it back then with the good old 7/32" drillbit mod to those firewall pass-throughs, never had any problem since. I figured that if there was going to be an issue, it would have reared its ugly head by now over 100K -km later.
Thanks for the input! I'll check the fuse next dry day out here, currently its raining like crazy and forecast for the next few days to be doing the same. God, I hope it is something that simple!
Going to check the fuse first like Doc Olds said, and then I'll trace out the grounds and such, I still am going to check the driver door harness just to be 100% certain there's no corrosion, as I do live in the rust belt of good old Onterrible Canada. Probably a good idea to chase the grounds anyways just for posterity sake. She's coming up on 300K km so...gotta start heading things off at the pass. I don't want to trade my baby in!
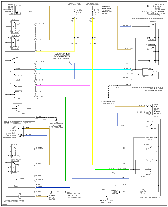
Always start with the wiring diagram if you can. As you can see, there is no white wire related to the power window circuits. Grounds for the power windows are in the back behind the quarter panel trim. Based on the other three windows working, your problem can't be the grounds and can't be the fuses since those items are common to the other three windows. That means its in the wiring, switches, relays and motors specific to the front left window. The driver door window circuit is pretty simply - a switch, a logic circuit, two relays and a motor and a foot or two of wire. The first three items are all in the driver door switch panel, but since it is fairly new its unlikely to be corrosion and more likely to have failed, especially since its an aftermarket replacement of OEM.
To rule out the switch panel you can backprobe the connector and check for power on pin 7 (DK BLU) or pin 8 (BRN) while operating the switch.
To rule out the motor you can disconnect the connector then jumper 12 v and ground to the motor and see if it runs.
The aftermarket switch panels have a reputation for poor quality and high failure rates. If that panel has failed bite the bullet and buy OEM while they are still available.
Last edited by NMH3; May 23, 2025 at 12:25 PM.
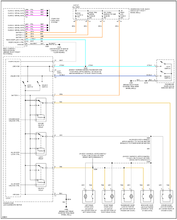
The connection between your door lock code and the power windows is the logic circuit in the driver door switch. The BCM is saying its connection to the logic circuit is grounded. It should be open, suggesting the logic circuit has failed. Here's the door lock wiring diagram:
Always start with the wiring diagram if you can. As you can see, there is no white wire related to the power window circuits. Grounds for the power windows are in the back behind the quarter panel trim. Based on the other three windows working, your problem can't be the grounds and can't be the fuses since those items are common to the other three windows. That means its in the wiring, switches, relays and motors specific to the front left window. The driver door window circuit is pretty simply - a switch, a logic circuit, two relays and a motor and a foot or two of wire. The first three items are all in the driver door switch panel, but since it is fairly new its unlikely to be corrosion and more likely to have failed, especially since its an aftermarket replacement of OEM.
To rule out the switch panel you can backprobe the connector and check for power on pin 7 (DK BLU) or pin 8 (BRN) while operating the switch.
To rule out the motor you can disconnect the connector then jumper 12 v and ground to the motor and see if it runs.
The aftermarket switch panels have a reputation for poor quality and high failure rates. If that panel has failed bite the bullet and buy OEM while they are still available.
I did test the switches with a multi-meter while it was connected and also had a power-source to make sure the window motors worked, which they do. I guess I have to see if I can snag a decent test-light probe and see what's what. I'm thinking that maybe there's a broken/rubbed through wire in the door harness connection point where it goes through into the main body? (The accordion boot looking thing between the open door and body? Not sure the name of that) I just have to wait for a decently nice day to go work on that, as I can only work outside. I have also heard tell that it could be something simple as corrosion on the 'bus terminal' connector where the harness hooks from the door into the body on those pins that you mentioned causing things to go screwy, so I'm going to check that as well since I'll already be in there. Might even pull the whole driver door off to adjust the hinge position as my body lines are kinda skewed there too, make a weekend thing out of it. Lol.
Thank you again, I'll see if I can get this diagram blown up a bit larger so I can print it and keep it with my 'Hummer folder'.
The connection between your door lock code and the power windows is the logic circuit in the driver door switch. The BCM is saying its connection to the logic circuit is grounded. It should be open, suggesting the logic circuit has failed. Here's the door lock wiring diagram:
A great resource for wiring diagrams and a bunch of service manual technical data can be found here: https://schwarttzy.com/h3-hummer/#h3-hummer-manual
Maybe download a local copy in case it ever gets pulled off the web.
A great source for exploded parts diagram can be found here: https://webautocats.com/en-us/epc/hummer/
I use this whenever I'm looking for a part number for something.
This is a great resource for the meaning of Hummer specific codes: https://www.dtcdecode.com/HUMMER
Maybe download a local copy in case it ever gets pulled off the web.
A great source for exploded parts diagram can be found here: https://webautocats.com/en-us/epc/hummer/
I use this whenever I'm looking for a part number for something.
This is a great resource for the meaning of Hummer specific codes: https://www.dtcdecode.com/HUMMER
Last edited by NMH3; May 24, 2025 at 10:51 PM.


