Over heating window relay
Hello I hope all is well for all in the Hummer world. I have another question since I'm not a Hummer expert. Does anyone know what could cause my window relay to get hot to the touch and the windows on the passenger side will not work? It isn't something that happens all the time. But sometimes the windows will work fine and then all of a sudden they will stop working and I noticed that the relay is hot. And had an aftermarket security system on it that I unplugged hoping that would fix the problem but it did not. Any suggestions on things to check will be greatly appreciated thinking all of you in advance.
can be a few things. the relay itself might have bad contacts internally causing heavy current draw, the window motor or regulator need lube or the cables or fraying causing heavy current draw, or bad connections / rubbed cable touching the body also causing heavy current draw.
Could this problem be coming from the ECM? Could something in there cause this issue? It had a kill switch attached to it which I removed and it had a Clifford aftermarket alarm system. But I do not have any idea what a controlled and how is wired up
Perhaps I'm missing something (brain cells maybe) but the front window up/down relays are actually located inside the Door Modules (Power Window Switches)
I assume by "passenger" you're referring to RHS windows?
The rear window relays are also located inside the rear window doors switches, so may I ask where is the relay that is getting hot?
There are two 25A circuit breakers one for both LHS windows, one for both RHS windows (left of dash) but specifically these are "breakers" not relays, perhaps it's one of these is what you are referring to?
This breaker feeding the RHS might be tripping out i.e. a seized window, this would cause both RHS windows to stop working and yes it would most likely get hot.
I assume by "passenger" you're referring to RHS windows?
The rear window relays are also located inside the rear window doors switches, so may I ask where is the relay that is getting hot?
There are two 25A circuit breakers one for both LHS windows, one for both RHS windows (left of dash) but specifically these are "breakers" not relays, perhaps it's one of these is what you are referring to?
This breaker feeding the RHS might be tripping out i.e. a seized window, this would cause both RHS windows to stop working and yes it would most likely get hot.
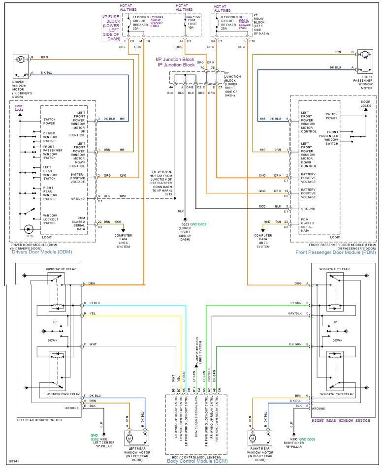
1st thing is to identify which door is causing the problem, here is the circuit (caveat - this is for an 04, looks to be the same):-
It's probably easiest to unplug each RHS door switch until the circuit breaker stops heating up, once you've identified which door it is, then investigate further and follow bronxteck 's suggestions.
Door motors look something like this.
It could possibly be a faulty power window switch (relay inside stuck)
Thank you for the suggestions. This problem has plagued me for sometime now. It would work for a while (like days) and then just stop working. So this gives me some other avenues to look at.👍👍👍 to both of you for your help!!!!
I am still having the same problem with my passenger side windows circuit breaker. I unplugged the driver side control switch and the passenger side controls and the motor but the circuit breaker is still overheating. Since I have unplugged all of this any ideas as to why my circuit breaker will still be overheating would be greatly appreciated
(drivers door switch is not relevant)
Unplug the Right Rear Window switch as the "RT Circuit Breaker" also feeds the rear RH door.
Could be an issue with the right rear motor and/or mechanism or switch.
Please keep us posted...
Unplug the Right Rear Window switch as the "RT Circuit Breaker" also feeds the rear RH door.
Could be an issue with the right rear motor and/or mechanism or switch.
Please keep us posted...
Thanks for your help when I unplugged the wire to the switch still had the same effect but when I unplug the wire to the rear window motor the breaker appears to be staying cool once again thank you I'll keep you posted if anything else arise these windows I am going to change the motor out first chance I get and see how that works once again thank you for your help


