Blower fan not working on all speeds
Lately I have been using the AC alot and for some reason the fan doesn't work on #2 speed. It works fine on #1,3,&4 but nothing on #2. Could that be the blower motor resistor because usually that effects the high speed. Also is the blower resistor just a plain mechanic coil or electronic in the H3? What else could it be?
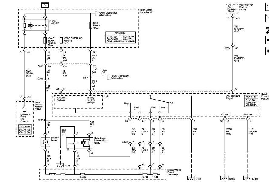
its a series of resistors, all are in the circuit for slow and they get switched out as u go up in speed. in high speed a relay closes the circuit completly.
you have an open resistor,or a bad contact due to heat distortion of the connector.
'
there's a bunch of pix here somewhere,,,search
soon i will post a pix of the OLD resistors they used years ago,,,that never went bad!!
maybe we can find a way to do a better fix!
oh,,?if one, but not 2 it almost has to be a connector,or sw contact,all res are good if it works in lowest mode
when u find the pix of melted conn youll see what i mean!
you have an open resistor,or a bad contact due to heat distortion of the connector.
'
there's a bunch of pix here somewhere,,,search
soon i will post a pix of the OLD resistors they used years ago,,,that never went bad!!
maybe we can find a way to do a better fix!
oh,,?if one, but not 2 it almost has to be a connector,or sw contact,all res are good if it works in lowest mode
when u find the pix of melted conn youll see what i mean!
Last edited by drtom; Jul 12, 2011 at 09:40 PM.
Well the blower motor resistor is electronic on the H3 and is located under the passenger side of the dash. It is white with 2 phillip screws holding it in. It has a 5 wire connector and is easy to spot. Well mine completely dropped dead today and I picked one up at the local autoparts store for $48. It is called the AC blower power module. Just for your info.
Well the blower motor resistor is electronic on the H3 and is located under the passenger side of the dash. It is white with 2 phillip screws holding it in. It has a 5 wire connector and is easy to spot. Well mine completely dropped dead today and I picked one up at the local autoparts store for $48. It is called the AC blower power module. Just for your info.
Last edited by TAINTER; Jul 18, 2011 at 04:39 PM.


