how to add 3 powerful horn and get rid of the original Crap horn
Hi this is how to add powerful Horn to your Hummer H3 i have made a diagram to show the connection

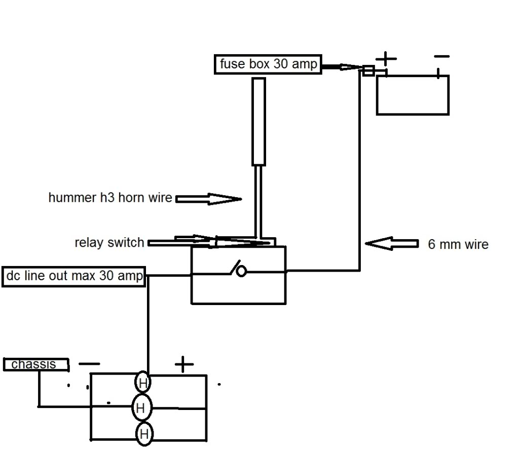
here is what you need
1- 1M 6mm wire for new dc line
2- relay 40~60 amp
3- fuse box with 23~30 amp fuse
4- 3 horn choose what you like must be in this Hi - Hi -Low the ones with E3 mark are the best or choose what ever you like
how to do the work first take off the grille guard then take off the grille you see the horn now take of the switch and the horn bolt
now connect your fuse box near the battery and drag the wire near the battery hose to the front of the car make it up the radiator if u like use strips then connect the wire to relay switch and the horn two wire to the coil
now connect all your horn to the front of the car the face down is important will prevent water to inter the horn and then connect the other wire of all horns to the chassis and test the sound its like hell now for the pics




thanks for viewing
sorry for grammatical errors i am not native .

here is what you need
1- 1M 6mm wire for new dc line
2- relay 40~60 amp
3- fuse box with 23~30 amp fuse
4- 3 horn choose what you like must be in this Hi - Hi -Low the ones with E3 mark are the best or choose what ever you like
how to do the work first take off the grille guard then take off the grille you see the horn now take of the switch and the horn bolt
now connect your fuse box near the battery and drag the wire near the battery hose to the front of the car make it up the radiator if u like use strips then connect the wire to relay switch and the horn two wire to the coil
now connect all your horn to the front of the car the face down is important will prevent water to inter the horn and then connect the other wire of all horns to the chassis and test the sound its like hell now for the pics




thanks for viewing
sorry for grammatical errors i am not native .
Thread
Thread Starter
Forum
Replies
Last Post
HumminNBoatin
PRIVATE For Sale / Trade Classifieds
1
Nov 22, 2018 07:56 AM
Hummer Guy
PRIVATE For Sale / Trade Classifieds
16
Mar 24, 2013 09:05 AM
Leonards
PRIVATE For Sale / Trade Classifieds
2
Nov 23, 2010 09:17 AM
Sergiowoods
PRIVATE For Sale / Trade Classifieds
9
Nov 4, 2010 09:31 PM
SEMO H3
PRIVATE For Sale / Trade Classifieds
113
Feb 18, 2007 02:12 PM




